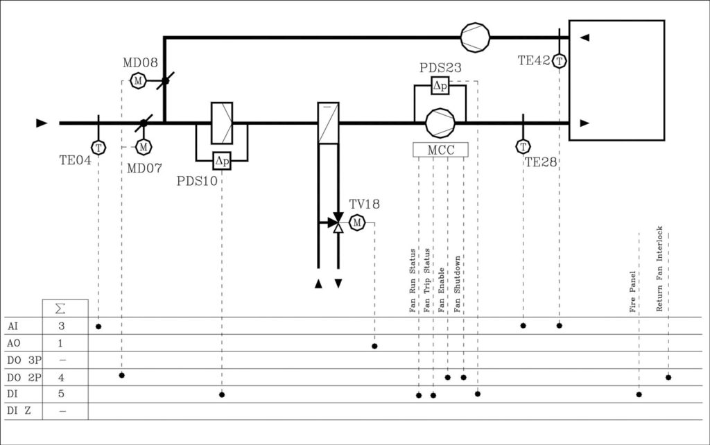
هوارسان (هواساز) تک منطقه ای از نوع Constant Volume با حجم هوای ثابت و کانال هوای برگشت با کویل آب سرد و فن دور ثابت

- روشن و خاموش شدن اتوماتیک دستگاه بر اساس برنامه زمانبندي تعريف شده
- کنترل تدریجی شیر کویل سرد توسط حلقه کنترلی PI از سنسور دمای هوای رفت
- قابلیت باز نشانی (Reset) نقطه تنظیم دمای هوای رفت از مقایسه نقطه تنظیم هوای برگشت و دمای آن
- جلوگیری از یخ زدگی کویل توسط سنسور دمای کانالی هوای تازه
- حفاظت موتور در شرایط عدم ایجاد اختلاف فشار مورد نیاز در دو طرف فن رفت هوارسان
- قطع فن و بستن کامل دمپر هوای تازه هوارسان در زمان وقوع حریق از طریق سیگنال ارسالی از پانل اعلام حریق
- پایش اختلاف فشار دو سر فیلتر جهت اعلام هشدار گرفتگی و کثیفی آن
- حفاظت اتوماتیک شیر کنترلی از گرفتگی با باز و بسته نمودن کامل آنها بصورت هفتگی
- قابلیت اتصال به سیستم BMS
| کد | شرح | مدل |
| TE04 | سنسور دمای کانالی هوای تازه | LF20-3B54 |
| MD07 | محرک دو وضعیتی دمپر هوای تازه | S1024-2POS / S2024-2POS |
| MD08 | محرک دو وضعیتی دمپر هوای برگشت | S1024-2POS / S2024-2POS |
| PDS10 | كليد اختلاف فشارجهت فيلتر | DPS930.83 |
| TV18 | محرك الكتريكي تدريجي جهت شيركنترل سرمايش | ML7420 / ML7421 |
| شير كنترل سه راهه مخلوط كننده در سیستم جریان ثابت/ شير كنترل دو راهه در سیستم جریان متغیر جهت كويل سرمايش | V5013R / V5329A
V5011S / V5016A |
|
| PDS23 | كليد اختلاف فشار جهت فن هوارسان | DPS930.85 |
| TE28 | سنسور دمای کانالی هوای خروجی | LF20-3B54 |
| TE42 | سنسور دمای کانالی هوای برگشت | LF20-3B54 |
| DDC | كنترلر ميكروپروسسوري ديجيتالي با صفحه نمایشگر و قابلیت برنامه ریزی و اتصال به سیستم BMS با 8 ورودی یونیورسال، 4 ورودی دیجیتال، 4 خروجی آنالوگ و 6 خروجی دیجیتال | XL50A-MMI
XD50C XL50-ACC3 |
| CP | تابلوی کنترل دیواری جهت نصب کنترلر به همراه ترانسفورماتور 220 ولت به 24 ولت متناوب با توان 144 ولت آمپر | CP/TYP 1076C/XL50
CRT6 |
سنسور دما هانیول مدل کانالی و مستغرق
محرک الکتریکی دمپر هانیول مدل S10
محرک الکتریکی دمپر هانیول مدل S20
کلید اختلاف فشار هوا بک مدل
محرک الکتریکی شیر هانیول مدل ML7420/25
محرک الکتریکی شیر هانیول مدل ML7421A/B
شیر کنترل خطی هانیول مدل سه راهه دنده ای، کورس 20 میلیمتر V5013R
شیر کنترل خطی هانیول مدل سه راهه فلنجی، کورس 20 میلیمتر V5329A
شیر کنترل خطی هانیول مدل V5011S دو راهه دنده ای، کورس 20 میلیمتر
شیر کنترل خطی هانیول V5016A مدل دو راهه فلنجی، کورس 20 و 38 میلیمتر
کنترلر تحت شبکه موتورخانه مرکزی هانیول مدل میکروپروسسوری دیجیتال سری Excel 50
ترانسفورماتور ولتاژ هانیول

